Other observations
The wheels like all the other parts are very well moulded and they look really realistic.
There is almost no flash on the parts, the ejection pin marks are strategically placed so as not be seen.
There are plenty of photo etched parts for the small details, like clamps, and handles, this will increase the amount of realism and details on the kit.


The decals looks very good, very well printed in and should have a plastic bag for their own, they come with the clear parts and can be easily damaged.
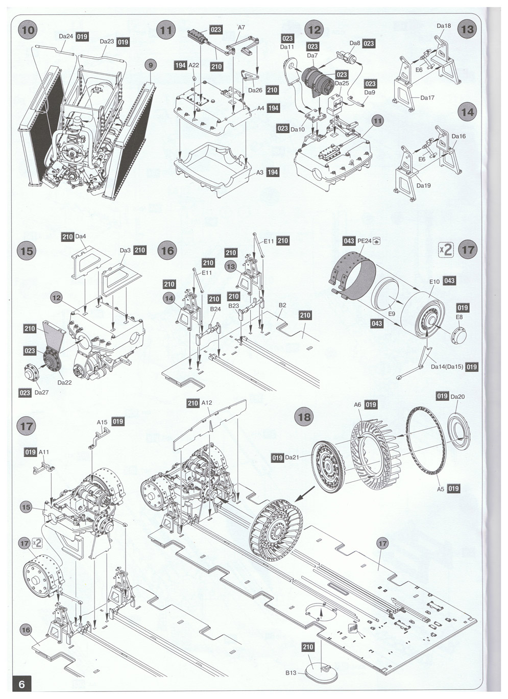
The instructions are clear and easy to follow, even on stage with many parts they keep clean and logical. All the colours are indicated there, so there will not be parts without a colour information.
The colour references to use are from Ammo.


Conclusion…
This is an amazing kit! The interior puts it in another level! This is one of those kits that must be built and not one to be left on the shelf for a later time. I never have been in the interior of an SU-85 but I know now what it would be like, I can even feel the claustrophobic sensation of being inside of one.
I don’t know if the interior is 100% well represented but I think it is certainly good enough.
Even if it’s not a kit for beginners, I think it well worth a try for all the WWII Soviet Heavy Machine lovers. This will make an amazing and exclusive representation of this “beast”.
This is the best kit (on the box contents) I ever saw!
WOW!
Summary
Highs: Details and quality of the parts. Impressive interior details, no flash seen. Good decals and clear instructions.
Lows: Sprues should be packaged individually. Some very small parts will require some attention when detached from the sprue. The absence of an aluminium gun barrel. The tracks are not that workable, even if they are amazingly reproduced. Number options available are low.
Verdict: This will not be a shake and bake kit, probably not the best one for beginners, one that is going to take some time until it’s finished, but one kit that I’m sure it will be a pleasure to build for the lover of the genre.
Vitor C.









